



Art. 134 Autoblock Magnum
Choose Quantity
![]() | Stanzani Clamp Components & Service Documentation
Made in ItalyExploded Assembly • Dimensional Drawing • Spare Parts Ordering
|
Technical Documentation & Service Resources
| Download Datasheet | View Certification | Exploded Parts Diagram | Replacement Parts |
Autoblock Magnum 134 – 10-Ton Self-Locking Pull Clamp
The Stanzani Autoblock Magnum 134 is a heavy-duty, professional-grade 10-ton self-locking pull clamp engineered for demanding structural and frame pulls in collision repair. Built for technicians working in high-load pulling situations, the Magnum 134 delivers exceptional holding power, fast setup, and long-term durability in challenging repair environments.
Designed to eliminate the need for time-consuming screw-down or bolt-on attachment, the Autoblock Magnum 134 grips securely to the panel before pulling force is applied, helping technicians work faster, safer, and with greater confidence during setup.
Engineered for High-Load Structural Pulls
The Magnum 134 is purpose-built for high-stress applications where standard pull clamps may struggle to seat consistently or maintain grip. Its wider jaw profile and self-locking design help the clamp engage securely on flanges, pinch welds, structural edges, and reinforced panel areas encountered during modern collision repair.
With a 60 mm jaw width, 10-ton pull rating, and high-grade forged steel construction, the Autoblock Magnum 134 is a dependable solution for technicians who need maximum clamp stability and predictable performance during heavy structural corrections and frame rack pulls.
Technical Specifications
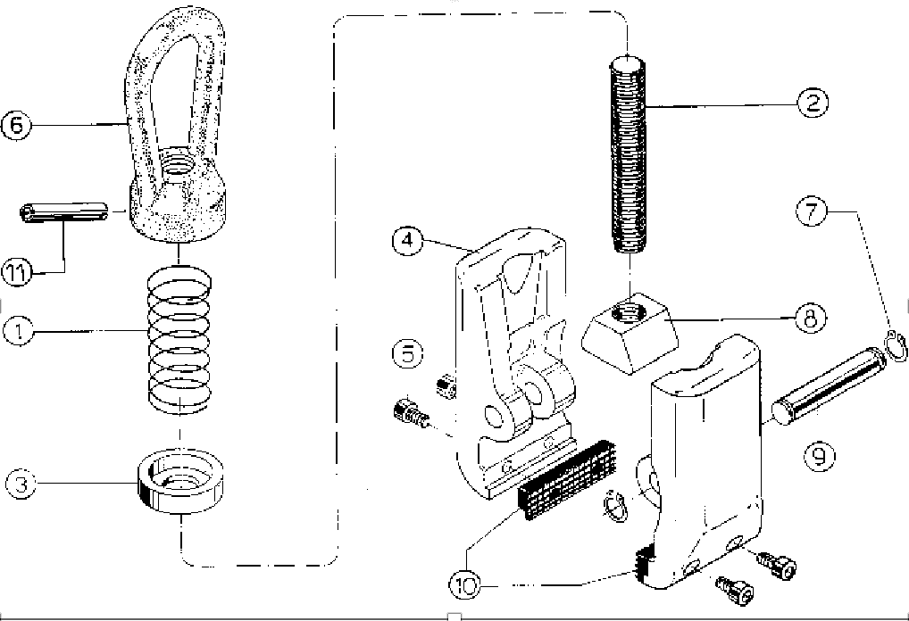
Fully Serviceable Design: All components shown in the exploded assembly diagram are available individually for service and replacement.
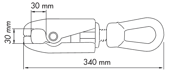
| Dimensional Drawing![]() Dimensional reference for the Autoblock Magnum 134 clamp assembly.
|
Exploded Assembly & Spare Parts
![]() Diagram shown for reference. Positions correspond to the parts list.
|
Parts List (Positions & Quantities)
Need assistance identifying a component? Contact CRTE Technical Support prior to ordering. |
Why Clamp Design Matters for Safety in Modern Repairs
Modern vehicle structures demand more from pulling equipment than ever before. High-strength steels, reinforced structural sections, and tighter access points require clamp systems that deliver stable bite, dependable holding power, and predictable behavior under load.
In real-world structural repairs, clamp performance is not just about rated force — it is also about consistency, confidence, and control. Outdated or less stable clamp designs can increase the risk of slippage, repositioning, and lost time during major pulls.
The Stanzani Autoblock Magnum 134 is engineered for high-load repair environments with a true self-locking design, 10-ton pulling capability, and durable serviceable construction that helps technicians work more efficiently during demanding frame and structural corrections.
For shops performing high-force pulls on structural damage, the right clamp is a critical part of both repair quality and technician confidence. The Magnum 134 is designed to be a serious working tool for serious pulling applications.






























