




Art. 128 Autoblock 59mm
Choose Quantity
![]() | Stanzani Clamp Components & Service Documentation
Made in ItalyExploded Assembly • Dimensional Drawing • Spare Parts Ordering
|
Technical Documentation & Service Resources
| Download Datasheet | View Dimensional Drawing | Exploded Parts Diagram | Replacement Parts |
Autoblock 128 – 59 mm Self-Locking Pull Clamp
The Autoblock 128 is a professional-grade 59 mm self-locking pull clamp engineered for fast, secure anchoring during structural and frame pulls. Its integrated self-locking design helps maintain stable panel engagement while reducing setup time in demanding collision repair environments.
Built from high-grade steel and rated for 6-ton pulling capacity, the Autoblock 128 is designed to deliver reliable holding power, repeatable performance, and long-term durability in professional frame straightening and heavy pulling applications.
Engineered for Heavy Structural Pulls
A threaded pin integrated directly into the pull ring allows for rapid engagement and controlled clamping force. Once secured, the clamp maintains a dependable hold that helps reduce slippage and repositioning during structural pulls.
The 59 mm jaw profile distributes force evenly across the work area, making this clamp a dependable solution for technicians who need strong anchoring performance with efficient setup and serviceability.
Technical Specifications
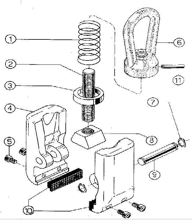
Fully Serviceable Design: All components shown in the exploded assembly diagram are available individually for service and replacement.
| Dimensional Drawing![]() Dimensional reference for the Autoblock 128 clamp assembly.
|
Exploded Assembly & Spare Parts
![]() Diagram shown for reference. Positions correspond to the parts list.
|
Parts List (Positions & Quantities)
Need assistance identifying a component? Contact CRTE Technical Support prior to ordering. |
Why Clamp Design Matters for Safety in Modern Repairs
Vehicle construction has changed dramatically over the past several decades — with high-strength steels, ultra-high-strength steels, and multi-layered structural components now standard in modern repairs. However, many clamp designs still in circulation today were developed decades ago and have not evolved to match these materials.
In real-world use, outdated clamp designs can introduce serious risk — including inconsistent bite, slippage under load, or sudden release during pulling operations. These issues are not just performance limitations — they are safety concerns for both the technician and the repair outcome.
The Stanzani Autoblock 128 is engineered with a modern self-locking design that delivers controlled engagement, consistent clamping force, and predictable performance under load — helping reduce risk during structural pulls.
In many shops, older clamp styles are used less frequently — not because they lack strength, but because they lack predictability and confidence under load. Modern self-locking systems are designed to be used daily, not left on the wall.






























